12V轉220V逆變器電路方案解析
一、12V轉220V逆變器電路一
本方案采用功率較大的三極管2N3055作為核心功率放大元件,配合兩個大功率電阻構建基礎振蕩電路。為提升電路輸出功率,建議選用功率較大的電阻,當前工程實踐中1/4W電阻應用廣泛,通過并聯四個1/4W、約400Ω的電阻,可滿足功率要求。

該電路本質上是一個振蕩電路,將直流電轉換為交流電,再經變壓器升壓至220V,可直接在輸出端連接用電器使用。然而,受元件數量和電路結構限制,輸出波形與市電標準存在偏差,但足以驅動普通白熾燈泡等基礎負載。

該電路本質上是一個振蕩電路,將直流電轉換為交流電,再經變壓器升壓至220V,可直接在輸出端連接用電器使用。然而,受元件數量和電路結構限制,輸出波形與市電標準存在偏差,但足以驅動普通白熾燈泡等基礎負載。
電阻采用四個1/4W電阻并聯,盡管所配變壓器功率相對較低,此設計略顯冗余。按照原理圖完成電氣連接并仔細檢查無誤后即可通電。需特別注意,輸出端電壓已超出人體安全電壓范圍,操作過程中必須采取完善的安全防護措施。
通電后可聽見明顯的信號振蕩聲,此時使用萬用表測量可得穩定電壓示數,本設計實測輸出電壓為211V,且運行過程中電壓穩定。
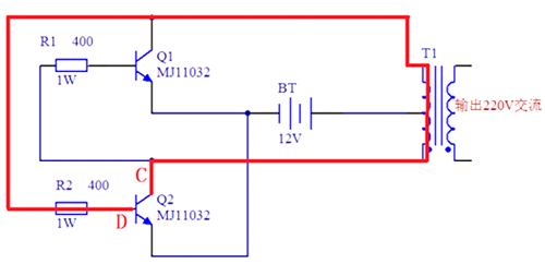
二、12V轉220V逆變器電路二
此方案是一種簡易逆變電路,僅需兩個三極管、兩個電阻和一個變壓器。通電后,輸出端可產生交流電,帶動220V白熾燈工作。




(一)工作原理
通電瞬間,對三極管Q1而言,集電極(A點)直連電源正極,基極(B點)經大功率電阻與電源正極相連,滿足導通條件。同理,三極管Q2的集電極(C點)與電源正極相連,基極(D點)經大功率電阻與電源正極相連,同樣滿足導通條件。
然而,由于實際應用中兩個三極管的特性不可能完全一致,通電瞬間必然存在導通先后順序。假設Q1率先導通,電流路徑為:電源正極→變壓器→三極管Q1→電源負極。Q1導通后迅速進入飽和狀態,集電極-發射極壓降低于0.3V,導致A點電位下降,進而B點電位也隨之降低。鑒于Q1導通時發射極正偏壓降約0.7V,0.3V的壓降無法維持其導通狀態,Q1轉為截止狀態。
隨著Q1截止,三極管Q2的基極和集電極電位上升,達到導通條件后Q2導通。電流路徑變為:電源正極→變壓器→三極管Q2→電源負極。與Q1類似,Q2導通后也進入飽和狀態,集電極-發射極壓降降至0.3V以下,基極電位降低,無法維持導通狀態而截止。
Q2截止后,Q1的基極和集電極電位上升,再次滿足導通條件。如此循環往復,兩個三極管交替導通,產生交流電。經變壓器升壓后,輸出電壓可達220V左右。連接220V燈泡可正常發光,表明電路工作正常。
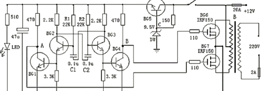
三、12V轉220V逆變器電路三
該方案提供了一種易于制作的逆變器原理圖,能夠將12V直流電源轉換為220V交流電,具有較高的實用性和可操作性。


(一)電路組成與工作原理
多諧振蕩器部分:由BG2與BG3組成多諧振蕩器,產生震蕩信號,為整個電路提供驅動動力。
控制部分:通過BG1和BG4控制BG6和BG7的工作狀態,實現對電路的有效調控。
穩壓供電部分:振蕩電路由BG5和穩壓二極管DW組成的穩壓電源供電,確保多諧振蕩器輸出頻率的穩定性,提升輸出交流電的品質。
變壓器選擇與蓄電池配置:在制作過程中,可選用常見的雙12V輸出市電變壓器。根據實際需求選擇合適容量的12V蓄電池,蓄電池容量越大,逆變器的持續工作時間越長。
該12V轉220V逆變器電路方案三憑借簡潔的電路結構和相對穩定的性能,在應急電源、戶外設備供電等領域具有廣闊的應用前景,能夠為各種220V交流設備提供可靠的電力支持
〈烜芯微/XXW〉專業制造二極管,三極管,MOS管,橋堆等,20年,工廠直銷省20%,上萬家電路電器生產企業選用,專業的工程師幫您穩定好每一批產品,如果您有遇到什么需要幫助解決的,可以直接聯系下方的聯系號碼或加QQ/微信,由我們的銷售經理給您精準的報價以及產品介紹
聯系號碼:18923864027(同微信)
QQ:709211280

