電路反饋類型至關重要,它主要包括電壓反饋與電流反饋,以及串聯反饋和并聯反饋。進一步地,依據反饋極性,可將電路反饋劃分為正反饋和負反饋;依照反饋信號性質,又可分為交流反饋和直流反饋。
一、電流反饋與電壓反饋的判定
一種簡便且直觀的判定方法如下:
首先,需確認反饋是否直接連接至 Uo 輸出端。若并非直接從輸出端引出,則可初步判定為電流反饋。
其次,進行假設操作,令輸出電壓 Uo 為零,或者使負載電阻 RL 兩端電壓歸零,觀察反饋信號是否依然存在。若反饋信號消失,表明反饋信號與輸出電壓呈比例關系,即可判定為電壓反饋;反之,若反饋信號依舊存在,則為電流反饋。
綜合上述兩種情況,只有當反饋同時滿足直接連接至 Uo 輸出端,且在輸出電壓為零或負載電阻 RL 兩端電壓為零時反饋信號消失,才能確定是電壓反饋。除此之外的情況,皆歸類為電流反饋。
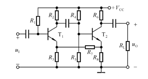
舉例


若反饋引出點與輸出點未直接相連,則屬于電流反饋。


即使反饋連接至 Uo 輸出端,但當負載電阻 RL 兩端電壓為零時,反饋依然存在,此種情況仍為電流反饋。
若電路同時符合反饋直接連接至輸出端,且在 Uo = 0 時反饋也為零,則為典型的電壓反饋。


當反饋并非直接連接至輸出端時,可判定為電流反饋。
二、電路反饋類型的詳細判斷
電壓反饋與電流反饋


若輸出端的反饋取樣點與輸出電壓 u0 的正極位于同一節點,則為電壓反饋;反之,若不在同一節點,則為電流反饋。


串聯反饋與并聯反饋
在輸入端,若反饋信號與輸入信號 ui 的正極接入同一輸入端,則為并聯反饋;若非如此,即反饋信號與輸入信號的正極接入不同輸入端,則為串聯反饋。
正反饋與負反饋
判斷正反饋或負反饋,需依據信號的瞬時相位來進行。具體而言,觀察反饋回路兩端的電壓極性,若同相則為正反饋,反相則為負反饋。
〈烜芯微/XXW〉專業制造二極管,三極管,MOS管,橋堆等,20年,工廠直銷省20%,上萬家電路電器生產企業選用,專業的工程師幫您穩定好每一批產品,如果您有遇到什么需要幫助解決的,可以直接聯系下方的聯系號碼或加QQ/微信,由我們的銷售經理給您精準的報價以及產品介紹
聯系號碼:18923864027(同微信)
QQ:709211280

