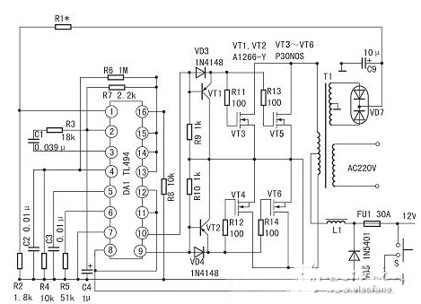
400W大功率穩壓逆變器電路
驅動控制電路 :TL494 的第 8、11 腳為內部驅動輸出三極管集電極,第 12 腳為其前級供電端,此三端通過開關 S 控制 TL494 的啟動與停止。當 S1 關斷時,TL494 無輸出脈沖,開關管 VT4-VT6 無電流。S1 接通時,此三腳電壓值為蓄電池的正極電壓。第 9、10 腳為內部驅動級三極管發射極,輸出兩路時序不同的正脈沖。第 14 腳輸出 5V 基準電壓,使第 13 腳有 5V 高電平,控制門電路,觸發器輸出兩路驅動脈沖,用于推挽開關電路。
主變電路 :由 VT1、VT2、VD3、VD4 構成灌電流驅動電路,驅動兩路各兩只 60V/30A 的 MOSFET 開關管,再經升壓變壓器 T1 耦合輸出約 235V 的交流(方波)電壓。如需提高輸出功率,每路可采用 3-4 只開關管并聯應用,電路不變。


穩壓電路 :第 1、2 腳構成穩壓取樣、誤差放大系統,正相輸入端 1 腳輸入逆變器次級取樣繞組整流輸出的 15V 直流電壓,經 R1、R2 分壓,使第 1 腳在逆變器正常工作時有近 4.7-5.6V 取樣電壓。反相輸入端 2 腳輸入 5V 基準電壓(由 14 腳輸出)。當輸出電壓降低時,1 腳電壓降低,誤差放大器輸出低電平,通過 PWM 電路使輸出電壓升高。
過壓保護電路 :第 15 腳外接 5V 電壓,成為誤差放大器反相輸入的基準電壓,以和同相輸入端 16 腳構成高電平保護輸入端。當第 16 腳輸入>5V 時,可通過穩壓作用降低輸出電壓,或關斷驅動脈沖而實現保護。但在它激逆變器中輸出超壓的可能性幾乎沒有,故該電路中第 16 腳未用,改由電阻 R8 接地。
1000W 逆變器工作原理及電路圖


工作原理 :該功率逆變器電路將提供非常穩定的 “方波” 輸出電壓。操作頻率由電位器決定,通常設置為 60Hz??梢允褂酶鞣N “現成的” 變壓器,或者自行定制變壓器以獲得最佳效果。
電路圖細節 :額外的 MOS 管可以并聯以獲得更高的功率。建議在電源線上安裝 “保險絲” 并始終連接 “負載”,同時接通電源。保險絲額定電壓為 32 伏,每 100 瓦輸出應大約為 10 安培。電源引線必須足夠重,以處理此高電流消耗。適當的散熱器應該用在 MOSFET 上,以確保良好的散熱性能。
1000W 逆變器電路圖

〈烜芯微/XXW〉專業制造二極管,三極管,MOS管,橋堆等,20年,工廠直銷省20%,上萬家電路電器生產企業選用,專業的工程師幫您穩定好每一批產品,如果您有遇到什么需要幫助解決的,可以直接聯系下方的聯系號碼或加QQ/微信,由我們的銷售經理給您精準的報價以及產品介紹

〈烜芯微/XXW〉專業制造二極管,三極管,MOS管,橋堆等,20年,工廠直銷省20%,上萬家電路電器生產企業選用,專業的工程師幫您穩定好每一批產品,如果您有遇到什么需要幫助解決的,可以直接聯系下方的聯系號碼或加QQ/微信,由我們的銷售經理給您精準的報價以及產品介紹
聯系號碼:18923864027(同微信)
QQ:709211280

