實例講解MOS管緩啟動電路
為什么需要電源啟動?電源緩啟動能做什么?
緩啟動,顧名思義就是讓電路電源緩慢開啟。
那解釋起來這么簡單,工作原理是否如此呢?
今天我們帶著上面的疑問一起來討論電源緩啟動的應用分析。
首先,為什么我們需要電源緩啟動?
我們先拿電子系統中常見的功能“熱插拔”來舉例子。
(熱插拔:在系統正常工作時,帶電對系統的某個單元進行插拔操作,且不對系統產生任何影響。)
熱插拔一般對電子系統有兩方面影響:1.熱插拔時,連接器的機械觸點在接觸瞬間會出現彈跳,引起電源振蕩;2.熱插拔時,由于系統大容量儲能電容的充電效應,系統中會出現很大的沖擊電流。
由于以上原因,特別是瞬時產生的大電流,工作時產生明顯的打火現象,這會引起電磁干擾,并對接插件造成腐蝕。因此需要“緩慢”上電。
在這里我們可以得出緩啟動電路兩種主要的作用:1.防抖動延時上電2.控制輸入電流的上升斜率和幅值。


下面我們使用MOS管來講解一個緩啟動電路工作原理。
MOS管具備低導通阻抗(Rds_on)和驅動簡單的優勢,在這基礎上配合其它的元器件,就能構成緩慢啟動電路。
通常情況下,在正電源中用PMOS,在負電源中使用NMOS。
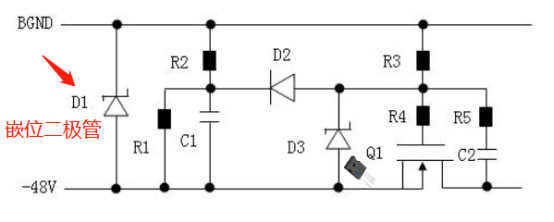
如下圖:用一個NMOS管搭建的一個-48V電源緩啟動電路圖


我們先對“其它元器件”進行簡單說明:
1) D1(TVS管):一般用于電源電路的浪涌防護,防止MOS管導通前輸入電壓過大損壞后級電路;
2) D2(肖特基二極管):隔離防抖動延時電路與上電斜率控制電路(防止受C1的影響);
3) D3(穩壓二極管):保證VGS電壓的穩定并保護MOS管Q1的柵-源極不被高壓擊穿;
4) R2/R1和C1:R1為C1提供快速放電通道;R1/R2分壓值大于D3的穩壓值;
5) R3和C2:控制電源電壓上升斜率;
6) R4和R5:防止MOS管自激振蕩。
在上圖中,Q1為MOS管,Cgs為其柵-源極間的寄生電容,Cgd為柵-漏極間的寄生電容,Cds為漏-源極間的寄生電容。
可以看到,柵-漏極外部并聯了電容C2 ,這里的柵-漏極的總電容是C’gd=C2+ Cgd,相對于C2 來說,Cgd的容值幾乎忽略不計,所以C’gd和C2幾乎相等。
MOS管的柵極開啟電壓Vth,在正常工作的情況下,其柵源電壓為Vw,這里的電壓等于穩壓管D3的嵌位電壓,電容C1充電的時間常數t=(R1//R2//R3)C1,由于R3通常會比R1、R2大很多,所以t≈(R1//R2)C1。
此電路工作過程可分為四個階段:


如圖所示:A、B為防抖電路;C、D為電壓緩起電路。
第一階段:
-48V電源對C1充電,MOS管開啟后,漏極電流開始增大,此時的變化速度與MOS管的跨導和柵源電壓變化率成正比;此時:
VA電壓隨輸入快速下降;
VB電壓瞬間降至-48V,隨后緩慢上升對C1兩端電壓充電;
VC電壓瞬間被Vb拉低D2導通,其稍高于VB。隨著R1/R2對C1的充電,此時VGS(=Vc-Va)也跟著增大,Q1處于截止狀態。
當Q1處于截止狀態,也就是Vd=0V。由于C2通過R5瞬間充滿電,Vcd電壓與C2的初始電壓都為-47.6V,然后隨著電壓VC升高而緩慢放電。
R3向D2流經電流,VB點電壓從-48V開始緩慢上升,Vc電壓跟著-47.6V緩慢上升;
(啟動時Vgs,Vds和Ids的變化)


第二階段:
VGS電壓VGS(th)上升至Vplt,MOS管Q1為完全打開。
一般最好在米勒平臺之前結束防抖動電路作用,此后開啟時間由電壓緩啟動電路負責;取決于R1/R2與C1充然后到至VGS(th)的時間,同時也包括R3與C2充電時間的計算。
第三階段:
此時就到達米勒平臺階段。當漏電流(Idrain)不斷增大,直至負載端電壓VD由0V開始下降,此時開始米勒平臺階段;
一般開啟瞬間設備電源輸入最大電流,是在設備電源電壓開始上升之前,此時Q1能夠通過自身的壓降來限制沖擊電流的大小;
Id電流維持ID,Vds電壓不斷降低。
第四階段:
米勒平臺階段結束后,Vd為-48V保持不變;Id電流仍然維持ID,Vds電壓降低到一個較低的值,但此時降低的斜率與幅度比較小,最后穩定。
通常我們可以認為米勒平臺結束后MOSFET基本上已經導通。
MOS管 在其中的應用說明
由以上我們可以看出,MOS管在開關電源應用領域里是一個非常重要的器件.
MOS管由于開關速度快,通流能力強,非常適合在低壓,大電流,中等功率等應用中,能有效提升電源轉換效率。其重要性具體如下,但不限于:
1.開關電源的開關(對上管)和續流二極管(對下管),可以通過MOS管來實現,其上管和下管開啟/關閉的時間決定了MOS管的開關損耗:
2. 在導通過程中,從MOS管打開至米勒平臺結束這個階段,是開關導通中的重點階段。
〈烜芯微/XXW〉專業制造二極管,三極管,MOS管,橋堆等,20年,工廠直銷省20%,上萬家電路電器生產企業選用,專業的工程師幫您穩定好每一批產品,如果您有遇到什么需要幫助解決的,可以直接聯系下方的聯系號碼或加QQ/微信,由我們的銷售經理給您精準的報價以及產品介紹
聯系號碼:18923864027(同微信)
QQ:709211280

