一、 實驗目的
1、 學習JFET自偏電壓電路。
2、 學習JFET分壓偏置電路。
3、 估算JFET自偏壓電路的靜態工作點,幾柵源電壓Vgs、漏極電壓Id和漏源電壓V-ds,并比較估算值與計算值。
4、 檢驗JFET自偏壓電路的穩定性。
5、 估算JFET分壓偏壓便置電路的靜態工作點Vgs、Id、和Vds 、并比較估算值與測量值。
6、 檢驗分壓偏置電路的穩定性。
二、 實驗器材
JFET MPF102 1個
直流電源 1個
直流電壓表 3個
0—20mA直流毫安表 1個
電阻:100Ω、1kΩ、1.3KΩ、500KΩ、1MΩ、和3.5MΩ 各一個
三、 實驗原理
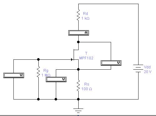
在圖1 所示的JFET自偏壓電路中,設柵極電流為零,柵極電阻Rg兩端的電壓Vg亦為零,則柵源電壓等于源極電壓Vs的負值
Vgs=Vg-Vs=0-Vs=-Vs


圖1 JFET自偏電壓電路
其中源極電壓Vs等于漏級電流Id與源極電阻Rs的乘積
Vs=IdRs
在圖2 所示的JFET分壓偏置電路中,設柵極電流為零,則柵極電壓Vgs等于柵極電壓Vg減去源極電壓Vs
Vgs=Vg-Vs


圖1 JFET分壓偏置電路
其中源極電壓Vs 等于漏極電流Id與源極電阻Rs的乘積
Vs=IdRs
柵極電壓為分壓電阻R2與R1的分壓比乘以電源電壓Vdd
Vg=R2Vdd/(R1+R2)
四、 實驗步驟
1、 在電子工作平臺上建立如圖所示的實驗電路。單擊仿真開關運行動態分析。記錄漏極電流Id、漏極電壓Vds、源極電壓Vs和柵極電壓Vg的讀數。
2、 根據步驟1的讀數,計算柵源電壓Vgs,并確定JFET自偏壓電路的靜態工作點。
3、 單擊場效應管T,下拉電路菜單Circuit,選擇模式命令Model。在彈出的模式對話框中
選中JFET MPF102,單擊編輯按扭Edit,調出MPF102的參數。將傳輸系數Transconductance
Coefficient 由0.00104改為0.0005,然后單擊接受按鈕。改變這個傳輸系數,是為了檢驗
更換JEFT對場效應管自偏壓電路漏極直流電路的影響,也可間接反映靜態工作電的穩定性。
單擊仿真開關運行動態分析,并記錄漏極電流Id和漏源電壓Vds。
4、 確定T傳輸系數為0.0005時電路的靜態工作點,然后再將JFET MPF102的傳輸系數改為0.00104。
5、 在EWB平臺上建立如圖4—13所示的分壓式電路。單擊仿真開關運行動態分析,記錄Id、Vds、Vs和Vg的讀數。
6、 根據步驟5的讀數,計算柵源電壓Vgs,確定電路的靜態工作點。
7、 按步驟3的方式,將場效應管T的傳輸系數由0.00104改為0.0005。單擊仿真開關運行動態分析,記錄Id、和Vds,確定傳輸系數為0.0005時電路的靜態工作點,然后再將T的傳輸系數改回0.00104。
〈烜芯微/XXW〉專業制造二極管,三極管,MOS管,橋堆等,20年,工廠直銷省20%,上萬家電路電器生產企業選用,專業的工程師幫您穩定好每一批產品,如果您有遇到什么需要幫助解決的,可以直接聯系下方的聯系號碼或加QQ/微信,由我們的銷售經理給您精準的報價以及產品介紹
聯系號碼:18923864027(同微信)
QQ:709211280

