“數字電路講過載,模擬電路講放大!”
可見“放大”功能在模擬電路中的重要性。這次我們不做小制作了,專門講講三極管放大電路的原理。
三極管最基本的放大功能是給基極一個大于一定電壓的電流,這個電流的變化會在集電極和發射極間放大。我們做的幾個功放電路就是利用了這個原理。首先將小電壓信號轉換成一個小電流信號,然后利用半導體三極管的電流放大作用,將微弱的電流信號放大成大電流波動,讓這個大電流波動通過一個電阻變為大電壓波動輸出。
三極管在放大狀態下才有放大作用。但是,不是所有的信號的電壓都是高到可以讓三極管進入放大狀態的。那么,怎么讓三極管處在放大狀態呢?要給基極提供一個恒定的電壓。如果三極管是硅管,那么這個電壓要在0.7V以上,鍺管的話,電壓要在0.3V以上。

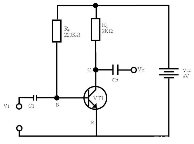
我們來看這個電路圖。RB的作用就是用來給VT1提供一個可以始終處于放大狀態的電壓,其大小決定了放大器的靜態工作點。
RC的作用是將集電極的電流變化轉換成我們需要的電壓變化,即輸出電壓信號。
電容C1的作用是將需要放大的電壓信號耦合到放大器的輸入端。好吧,“耦合”這個詞有點難理解,其實就是傳遞的意思。因為信號源直接輸入,會破壞放大器的工作狀態,從而使放大器的性能變差,甚至不能工作。電容的通交流,阻直流的特點,可以將放大器和信號源之間的直流工作狀態相互隔離,同時能夠將變化的信號傳遞到VT1。
C2的作用和C1差不多,只是它是把放大后的信號傳遞到下一級放大器或者負載。
好了,每個元件的作用我們說過了,那么回過頭來我們稍微詳細說一下對放大電路非常重要的“靜態工作點”。
前面我們說如何讓三極管始終處于放大狀態的時候,提到了“靜態工作點”這個詞,但是并沒有細說。
在沒有信號輸入時,放大器的狀態稱為靜態。這時的集電極電流Ic稱為靜態工作電流或工作點電流,用ICQ來表示。三極管各個電極的電壓稱為靜態工作點壓,最重要的是三極管C、E之間的電壓VCE值。
對于具體的電路,靜態工作電流和工作電壓是可以估算的。就拿上面的電路圖來說吧。
RB電阻兩端的電壓為VRB=VCC-0.7=6-0.7=5.3V。那么基極的靜態電流就是

集電極的靜態電流是

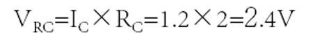
電阻RC上的電

集電極電壓

其實靜態工作點是很重要的,它影響著放大器的放大能力和放大后的信號失真,這兩項是放大器品質好壞的關鍵參數。
〈烜芯微/XXW〉專業制造二極管,三極管,MOS管,橋堆等,20年,工廠直銷省20%,上萬家電路電器生產企業選用,專業的工程師幫您穩定好每一批產品,如果您有遇到什么需要幫助解決的,可以直接聯系下方的聯系號碼或加QQ/微信,由我們的銷售經理給您精準的報價以及產品介紹
聯系號碼:18923864027(同微信)
QQ:709211280

