隨著微電子技術的發展,人民的生活水平不斷提高,人們對周圍環境的美化和照明已不僅限于單調的白熾燈,彩燈已成為時尚的潮流。彩燈控制器的實用價值在日常生產實踐,日常生活中的作用也日益突出。基于各種器件的彩燈也都出現,單片機因其價格低廉、使用方便、控制簡單而成為控制彩燈的主要器件。
1.彩燈控制電路原理
原理:
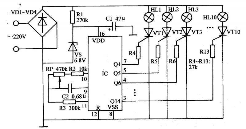
彩燈控制器電路由電源電路和彩燈控制電路組成,如圖所示。

電源電路由整流二極管VDl-VD4、限流電阻器Rl、穩壓二極管VS和濾波電容器Cl組成。
彩燈控制電路由計數器集成電路IC、電阻器肛-R13、電容器C2、可變電阻器RP、晶閘管VTl-VTlO和彩燈HLl-HLlO組成。為簡化電路,圖中IC的Q7-QlO端、Q12、Q13端(該集成電路無Ql-Q3和Qll端)和電阻器R7-Rl2、晶閘管VT4-VT9、彩燈HL4-HL9本畫出。
交流220V電壓經VDl,VD4整流、Rl限流降壓、VS穩壓及Cl濾波后,為IC提供6.8V直流工作電源。
RP、R2、R3、C2和IC的9-11腳內電路組成多諧振蕩器。在接通電源后,多諧振蕩器即振蕩工作,IC對多諧振蕩器產生的振蕩信號進行分頻計數后,從IC的Q4-QlO端和Q12-Q14端輸出變化的控制電平,使VTl-VTlO間歇導通,彩燈HLl-HLlO按不同的頻率閃爍發光 (HLl的閃爍頻率最高,HLlO的閃爍頻率最低)。
調節RP的阻值,可改變彩燈閃爍的頻率。
元器件選擇
Rl選用1/2W金屬膜電阻器;R2-R13均選用1/4W金屬膜電阻器。
Cl選用耐壓值為16V的鋁電解電容器;C2選用獨石電容器或CBB電容器。
RP選用有機實心可變電阻器。
VDl-VD4選用1N4004或1N4007型硅整流二極管。
VS選用lW、6.8V的硅穩壓二極管,例如lN4736等型號。
VTl-VTl4均選用2P4M(2A、400V)的晶閘管。
IC選用14級二進制計數分頻器集成電路。
HLl-HLlO選用成品彩燈串。
2.彩燈控制電路圖
該彩燈控制器電路由電源電路、彩燈驅動控制電路和音頻功率放大電路組成。

該彩燈控制器電路由電源電路、彩燈驅動控制電路和音頻功率放大電路組。

3.彩燈控制電路作用
作用:
LED燈
1:比鎢絲燈和節能燈省電,(和節能燈比差不多省50%)
2:壽命長,如果不偷工減料,能用到2萬小時以上。
3:光可控制,包含光斑形狀,光的波長,組合,智能控制等。
烜芯微專業制造二極管,三極管,MOS管,橋堆等20年,工廠直銷省20%,4000家電路電器生產企業選用,專業的工程師幫您穩定好每一批產品,如果您有遇到什么需要幫助解決的,可以點擊右邊的工程師,或者點擊銷售經理給您精準的報價以及產品介紹
烜芯微專業制造二極管,三極管,MOS管,橋堆等20年,工廠直銷省20%,4000家電路電器生產企業選用,專業的工程師幫您穩定好每一批產品,如果您有遇到什么需要幫助解決的,可以點擊右邊的工程師,或者點擊銷售經理給您精準的報價以及產品介紹

