了解mos管(場效應管)工作原理前,首先要知道什么是mos管?這里先做一個簡單的介紹,更詳細的介紹請點擊《什么是mos管詳細介紹》
1、什么是mos管
場效應晶體管(Field Effect Transistor縮寫(FET))簡稱場效應管(又叫mos管)。主要有兩種類型(junction FET-JFET)和金屬-氧化物半導體場效應管(metal-oxide semiconductor FET,簡稱MOS-FET)。由多數載流子參與導電,也稱為單極型晶體管。它屬于電壓控制型半導體器件。具有輸入電阻高(107~1015Ω)、噪聲小、功耗低、動態范圍大、易于集成、沒有二次擊穿現象、安全工作區域寬等優點,現已成為雙極型晶體管和功率晶體管的強大競爭者。
2、mos管G、S、D符號說明
G--------gate 柵極
S--------source 源極
D--------drain 漏極
3、mos管工作原理
了解工作原理前先了解一下兩種工作模式的mos管:
N溝道的電源一般接在D,輸出S,
P溝道的電源一般接在S,輸出D。
增強耗盡接法基本一樣。
P是指P溝道,
N是指N溝道。


4、兩句話讀懂mos管工作原理:N溝道MOS的特性,Vgs大于一定的值就會導通,適合用于S(源極)接地時的情況,只要G(柵極)電壓達到一定電壓(如8~40V)更詳細的驅動電壓點擊《MOS管參數表》。P溝道MOS的特性,Vgs小于一定的值就會導通,適合用于S(源極)接VCC時的情況。雖然P溝道MOS可以很方便地用作電路驅動,但由于導通電阻大,價格貴,替換種類少等原因,在電路驅動中,通常還是使用N溝道MOS。


5、mos管主要應用
mos管最顯著的特性就是開關特性好,所以被廣泛應用在需要電子開關的電路中,常見的如開關電源、馬達驅動、照明調光等輸入高阻抗電子電路。
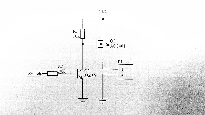
6、mos管基本應用電路


了解完mos管工作原理,設計好電路圖紙,下一步就是mos管選型,選型前必須深入了解mos管更詳細的參數,請點擊《mos管詳細參數說明》,了解完參數,型號選擇請參考《mos管封裝參數表》更可以直接下載對應型號的PDF規格書技術文檔。
烜芯微專業制造二極管,三極管,MOS管,橋堆20年,工廠直銷省20%,1500家電路電器生產企業選用,專業的工程師幫您穩定好每一批產品,如果您有遇到什么需要幫助解決的,可以點擊右邊的工程師,或者點擊銷售經理給您精準的報價以及產品介紹
烜芯微專業制造二極管,三極管,MOS管,橋堆20年,工廠直銷省20%,1500家電路電器生產企業選用,專業的工程師幫您穩定好每一批產品,如果您有遇到什么需要幫助解決的,可以點擊右邊的工程師,或者點擊銷售經理給您精準的報價以及產品介紹

