米勒效應概述
米勒效應(Miller effect)是在電子學中,反相放大電路中,輸入與輸出之間的分布電容或寄生電容由于放大器的放大作用,其等效到輸入端的電容值會擴大1+K倍,其中K是該級放大電路電壓放大倍數。
雖然一般密勒效應指的是電容的放大,但是任何輸入與其它高放大節之間的阻抗也能夠通過密勒效應改變放大器的輸入阻抗。
米勒效應的應用
米勒效應在電子電路中,應用很廣泛
(1)密勒積分
在集成運算放大器開環增益A很高的情況下,展寬積分線性范圍,提高運算精度,獲得了廣泛的運用。
(2)用米勒電容補償,消除自激反應
由于米勒電容補償后的頻率響應,是一種在0dB帶寬不受損失的情況下, 使集成運算放大器沒有產生自激可能品質優良的“完全補償‘。同時,密勒效應使小補償電容可以制作在基片上,從而實現了沒有外接補償元件的所謂“ 內藏補償” 。

MOS管米勒效應平臺形成的基本原理
MOSFET的柵極驅動過程,可以簡單的理解為驅動源對MOSFET的輸入電容(主要是柵源極電容Cgs)的充放電過程;當Cgs達到門檻電壓之后, MOSFET就會進入開通狀態;當MOSFET開通后,Vds開始下降,Id開始上升,此時MOSFET進入飽和區;但由于米勒效應,Vgs會持續一段時間不再上升,此時Id已經達到最大,而Vds還在繼續下降,直到米勒電容充滿電,Vgs又上升到驅動電壓的值,此時MOSFET進入電阻區,此時Vds徹底降下來,開通結束。
由于米勒電容阻止了Vgs的上升,從而也就阻止了Vds的下降,這樣就會使損耗的時間加長。(Vgs上升,則導通電阻下降,從而Vds下降)

米勒效應在MOS驅動中臭名昭著,他是由MOS管的米勒電容引發的米勒效應,在MOS管開通過程中,GS電壓上升到某一電壓值后GS電壓有一段穩定值,過后GS電壓又開始上升直至完全導通。為什么會有穩定值這段呢?因為,在MOS開通前,D極電壓大于G極電壓,MOS寄生電容Cgd儲存的電量需要在其導通時注入G極與其中的電荷中和,因MOS完全導通后G極電壓大于D極電壓。米勒效應會嚴重增加MOS的開通損耗。(MOS管不能很快得進入開關狀態)
所以就出現了所謂的圖騰驅動!!選擇MOS時,Cgd越小開通損耗就越小。米勒效應不可能完全消失。MOSFET中的米勒平臺實際上就是MOSFET處于“放大區”的典型標志。用用示波器測量GS電壓,可以看到在電壓上升過程中有一個平臺或凹坑,這就是米勒平臺。
MOS管米勒效應形成的詳細過程
米勒效應指在MOS管開通過程會產生米勒平臺,原理如下。
理論上驅動電路在G級和S級之間加足夠大的電容可以消除米勒效應。但此時開關時間會拖的很長。一般推薦值加0.1Ciess的電容值是有好處的。
下圖中粗黑線中那個平緩部分就是米勒平臺。


刪荷系數的這張圖 在第一個轉折點處:Vds開始導通。Vds的變化通過Cgd和驅動源的內阻形成一個微分。因為Vds近似線性下降,線性的微分是個常數,從而在Vgs處產生一個平臺。
米勒平臺是由于mos 的g d 兩端的電容引起的,即mos datasheet里的Crss 。
這個過程是給Cgd充電,所以Vgs變化很小,當Cgd充到Vgs水平的時候,Vgs才開始繼續上升。
Cgd在mos剛開通的時候,通過mos快速放電,然后被驅動電壓反向充電,分擔了驅動電流,使得Cgs上的電壓上升變緩,出現平臺。

t0~t1: Vgs from 0 to Vth.Mosfet沒通.電流由寄生二極管Df.
t1~t2: Vgs from Vth to Va. Id
t2~t3: Vds下降.引起電流繼續通過Cgd. Vdd越高越需要的時間越長.
Ig 為驅動電流.
開始降的比較快.當Vdg接近為零時,Cgd增加.直到Vdg變負,Cgd增加到最大.下降變慢.
t3~t4: Mosfet 完全導通,運行在電阻區.Vgs繼續上升到Vgg.

平臺后期,VGS繼續增大,IDS是變化很小,那是因為MOS飽和了。。。,但是,從樓主的圖中,這個平臺還是有一段長度的。
這個平臺期間,可以認為是MOS 正處在放大期。
前一個拐點前:MOS 截止期,此時Cgs充電,Vgs向Vth逼進。
前一個拐點處:MOS 正式進入放大期
后一個拐點處:MOS 正式退出放大期,開始進入飽和期。
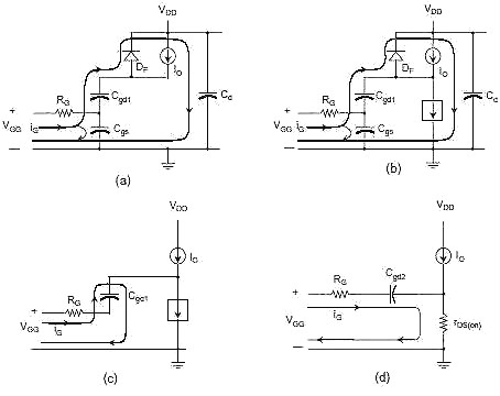
當斜率為dt 的電壓V施加到電容C上時(如驅動器的輸出電壓),將會增大電容內的電流:
I=C×dV/dt (1)
因此,向MOSFET施加電壓時,將產生輸入電流Igate = I1 + I2,如下圖所示。

在右側電壓節點上利用式(1),可得到:
I
1=Cgd×d(Vgs-Vds)/dt=Cgd×(dVgs/dt-dVds/dt) (2)
I2=Cgs×d(Vgs/dt) (3)
如果在MOSFET上施加柵-源電壓Vgs,其漏-源電壓Vds 就會下降(即使是呈非線性下降)。因此,可以將連接這兩個電壓的負增益定義為:
Av=- Vds/Vgs (4)
將式(4)代入式(2)中,可得:
I1=Cgd×(1+Av)dVgs/dt (5)
在轉換(導通或關斷)過程中,柵-源極的總等效電容Ceq為:
Igate=I1+I2=(Cgd×(1+Av)+Cgs)×dVgs/dt=Ceq×dVgs/dt (6)
式中(1+Av)這一項被稱作米勒效應,它描述了電子器件中輸出和輸入之間的電容反饋。當柵-漏電壓接近于零時,將會產生米勒效應。
Cds分流最厲害的階段是在放大區。為啥? 因為這個階段Vd變化最劇烈。平臺恰恰是在這個階段形成。你可認為:門電流Igate完全被Cds吸走,而沒有電流流向Cgs。

注意數據手冊中的表示方法
Ciss=Cgs+Cgd
Coss=Cds+Cgd
Crss=Cgd
如何消除MOS管米勒效應
設計電源時,工程師常常會關注與MOSFET導通損耗有關的效率下降問題。在出現較大RMS電流的情況下, 比如轉換器在非連續導電模式(DCM)下工作時,若選擇Rds(on)較小的MOSFET,芯片尺寸就會較大,從而輸入電容也較大。也就是說,導通損耗的減小將會造成較大的輸入電容和控制器較大的功耗。當開關頻率提高時,問題將變得更為棘手。

圖1 MOSFET導通和關斷時的典型柵電流

圖2 MOSFET中的寄生電容

圖3 典型MOSFET的柵電荷

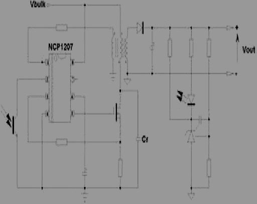
圖4 基于專用控制器的簡單QR轉換器

圖5 ZVS技術消除米勒效應
MOSFET導通和關斷時的典型柵電流如圖1所示。在導通期間,流經控制器Vcc引腳的峰值電流對Vcc充電;在關斷期間,存儲的電流流向芯片的接地端。如果在相應的面積上積分,即進行篿gate(t)dt,則可得到驅動晶體管的柵電荷Qg 。將其乘以開關頻率Fsw,就可得到由控制器Vcc提供的平均電流。因此,控制器上的總開關功率(擊穿損耗不計)為:
Pdrv = Fsw×Qg×Vcc
如果使用開關速度為100kHz 的12V控制器驅動柵電荷為100nC的MOSFET,驅動器的功耗即為100nC×100kHz×12V=10mA×12V=120mW。
MOSFET的物理結構中有多種寄生單元,其中電容的作用十分關鍵,如圖2所示。產品數據表中的三個參數采取如下定義:當源-漏極短路時,令Ciss = Cgs + Cgd;當柵-源極短路時,令Coss = Cds +? Cgd;Crss = Cgd。
驅動器實際為柵-源極連接。當斜率為dt 的電壓V施加到電容C上時(如驅動器的輸出電壓),將會增大電容內的電流:
I=C×dV/dt
(2)
因此,向MOSFET施加電壓時,將產生輸入電流Igate = I1 + I2,如圖2所示。在右側電壓節點上利用式(2),可得到:
I1=Cgd×d(Vgs-Vds)/dt=Cgd×(dVgs/dt-dVds/dt)
(3)I2=Cgs×d(Vgs/dt)

(7)式中(1-Av)這一項被稱作米勒效應,它描述了電子器件中輸出和輸入之間的電容反饋。當柵-漏電壓接近于零時,將會產生米勒效應。典型功率MOSFET的柵電荷如圖3所示,該圖通過用恒定電流對柵極充電并對柵-源電壓進行觀察而得。根據式(6),當Ciss突然增大時,電流持續流過。但由于電容急劇增加,而相應的電壓升高dVgs卻嚴重受限,因此電壓斜率幾乎為零,如圖3中的平坦區域所示。
圖3也顯示出降低在轉換期間Vds(t)開始下降時的點的位置,有助于減少平坦區域效應。Vds=100V時的平坦區域寬度要比Vds=400V時窄,曲線下方的面積也隨之減小。因此,如果能在Vds等于零時將MOSFET導通,即利用ZVS技術,就不會產生米勒效應。
在準諧振模式(QR)中采用反激轉換器是消除米勒效應較經濟的方法, 它無需在下一個時鐘周期內使開關處于導通狀態,只要等漏極上的自然振蕩將電壓逐漸降至接近于零。與此同時,通過專用引腳可以檢測到控制器再次啟動了晶體管。通過在開關打開處反射的足夠的反激電壓(N×[Vout+Vf]),即可實現ZVS操作,這通常需要800V(通用范圍)的高壓MOSFET。基于安森美的NCP1207的QR轉換器如圖4所示,它可以直接使用高壓電源供電。該轉換器在ZVS下工作時的柵-源電壓和漏極波形如圖5所示。
總之,如果需要Qg較大的MOSFET,最好使反激轉換器在ZVS下工作,這樣可以減少平均驅動電流帶來的不利影響。這一技術也廣泛應用于諧振轉換器中。
烜芯微專業制造二極管,三極管,MOS管,橋堆20年,工廠直銷省20%,1500家電路電器生產企業選用,專業的工程師幫您穩定好每一批產品,如果您有遇到什么需要幫助解決的,可以點擊右邊的工程師,或者點擊銷售經理給您精準的報價以及產品介紹
烜芯微專業制造二極管,三極管,MOS管,橋堆20年,工廠直銷省20%,1500家電路電器生產企業選用,專業的工程師幫您穩定好每一批產品,如果您有遇到什么需要幫助解決的,可以點擊右邊的工程師,或者點擊銷售經理給您精準的報價以及產品介紹

